Этот вариант трансивера SDR базируется на схемах, которые удалось найти в интернете по теме "1Вт флексовского варианта". Железо ориентировано на софт PowerSDR K6JCA и все его модификации. Заложено на платы всё, что можно было туда «впихнуть» из найденного в Интернете и других источниках.
В бОльшей степени платы «Автоматика» и «TRX» подобны т.н. «киевской» версии, плата «ДПФ» собрана из наиболее качественных на мой взгляд узлов.
Фото SDR TRXа:
Фото в сборе (последние модели):





Схемы:
SDR Software Defined Radio трансивер управляется программой PowerSDR, которая является открытым программным обеспечением. Это 1W или 100W (вариант DN-100) трансивер, который обеспечивает непрерывный приём в диапазоне 12кГц - 60MHz, включая режим передачи в пределах радиолюбительских диапазонов. Есть возможность "открытия" передачи во всём диапазоне частот. Для управления трансивером используется персональный компьютер (ПК) для полной цифровой обработки сигнала (DSP) и функций управления.
Спецификация -
Особенности:
- Применено однополярное питание всей конструкции. Для этого применнены дополнительные стабилизаторы напряжения. В т.ч. и раздельные стабилизаторы +12В на преобразователь 12В_+-15В и на выходной каскад передатчика, который расположен на плате ДПФов – дабы помеха от преобразователя не попала на вход приёмника через фильтры (ДПФы). КРЕНки на плате «автоматики» требуют обязательного теплоотвода. В связи с тем, что внутри 1W версии SDR-а установлены дополнительные стабилизаторы - его возможно питать от не стабилизированного источника постоянного тока. Желательные пределы напряжения 13,8-15,5В, током до 1А. Если питающее напряжение будет превышать предел 16В - потребуется применить теплоотвод большей площади.
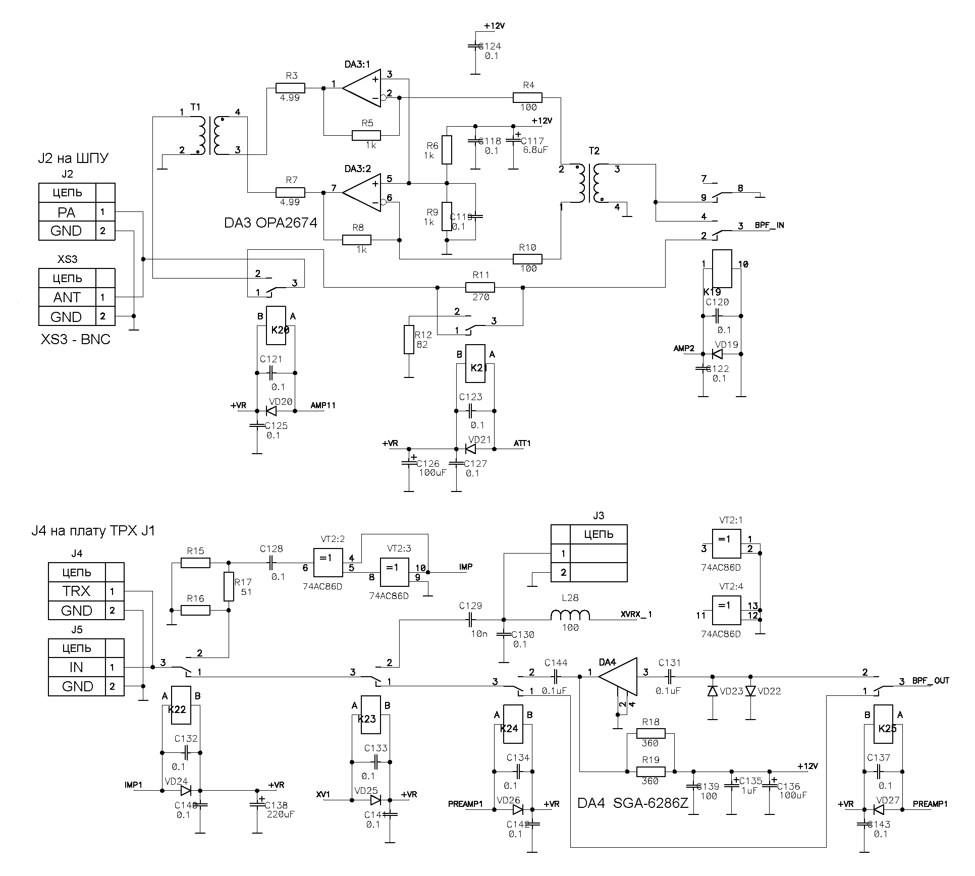
- Применены «классические» высококачественные полосовые фильтры на входе приёмника, которые работают и на ТХ. Для переключения фильтров использованы реле, дабы не ухудшить динамический диапазон и соотношение сигналшум приёмника. В качестве сердечников катушек применяются тороидальные сердечники большого диаметра, которые не ухудшают динамику приёмника. Часть фильтров намотаны на амидоновских сердечниках Т-50, часть на аналогичных кольцах нашего секретного военпрома. В итоге получены высококачественные фильтры, перекрывающие весь диапазон 1-65МГц без разрывов. Как отмечает и Э.Ред в своей книжке "Схемотехника радиоприёмников" – это достаточно дорогое изделие – «каждая вещь имеет свою цену». Но главное условие – сохранение максимально возможных динамических характеристик в этом узле – выполнено.
- Организована возможность отключения УВЧ. Т.к. в софте PowerSDR нет такой дополнительной опции именно для УВЧ, пришлось изыскивать возможные варианты. Заложено два:
- отключение УВЧ при помощи устанавливаемой на плату перемычки XS4 (при установленной перемычке УВЧ включен) или дополнительного тумблера (параллельно XS4) при помощи которого можно включать-выключать УВЧ.
- переключение УВЧ через установки в софте. Для этого задействовано меню Hardware Config, дополнительная опция XVTR Present – ставим галку – далее режим Negative TR Logic. На плате устанавливаем перемычку XS5 (контакты 1-2). Теперь дабы включить УВЧ – ставим галку и активируем Negative TR Logic – жмём Apply – УВЧ включен. Выключить – убрать галку. В качестве УВЧ применена специализированная сборка SGA-6286, по отзывам разработчиков SDR-1000 она не ухудшает динамического диапазона приёмника. Решение о применении такого УВЧ было принято сообразуясь с современными возможностями. На сегодня много фирм производят подобный продукт, эти сборки согласованы (как правило) по входным-выходным импедансам под такое применение – читай, не ухудшат соотношение сигналшум за счёт рассогласовки цепей. И ещё немаловажный момент – таких сборок производится немалое количество с различными характеристиками. Можно выбрать под требуемую задачу – или под максимальную чувствительность, или под максимальный динамический диапазон приёмника.
- С применённым вариантом ШПУ выходная мощность по диапазонам распределена так: 6м – 4,2В; 10м – 5,8В; 12м – 5,8В; 15м – 6,0В; 17м – 6,0В; 20м – 6,1В;, 30м – 6,2В; 40м – 6,2В; 80м – 6,0В; 160м – 6,2В. Напряжение измерено ламповым вольтметром ВК7-9 на 50Ом нагрузке. Если выход не нагружать – получим напряжение 8-13В на антенном разъёме по диапазонам. «Синусоидальность» выходного напряжения не изменяется от наличия или отсутствия нагрузки в 50Ом – в зависимости от потребности, можно, как нагружать этот выходной каскад, так и ставить повышающий трансформатор, дабы обеспечить потребное напряжение раскачки последующему РА, если вы не любитель QRP-пи. Кстати, из даташита на этот усилитель читаем, что он предназначен для усиления с низкими искажениями сигналов в xDSL линиях с выходным током до 500мА, при частоте до 200МГц. В целом – «не хилый» усилок, который обязан выдерживать обрывы линии – видимо посему и стоит он тоже не «хило». Для «любителей экстрима» - можно поиграться с обмотками трансформаторов Т1,Т2 и вытянуть из него до 1,2Вт (о которых говорит даташит). Но мой опыт общения с пользователями указывает, что надёжность превыше всего – посему решено остановиться на полученных 0,7Вт. Кстати, в файле “Opisalowo_sdr.htm”, который выложен на сайте, привёл цифры выходной мощности, которые ниже приведённых здесь. Связано это с типом и установками звуковой карты. Приведённые здесь измерения проведены с карточкой Дельта 66.
- В связи с тем, что DDSка достаточно сильно греется, пришлось изыскивать для неё «супер-радиатор». Т.к. наибольшую эффективность имеют игольчатые радиаторы - приобретены в штатах игольчатые медно-графитовые радиаторы. Радиатор приклеивается к DDS-ке специальным термостойким клеем, который наносится очень тонким слоем, дабы не ухудшить переходное термосопротивление между корпусом микросхемы и радиатором. Кстати, в «экспериментальных» целях произведён тест на живучесть DDS-ки – несколько недель SDR гонялся без радиатора на DDS. Ничего не произошло – что с радиатором, что без радиатора – всё фунциклирует. Была информация, что первые свои SDR флексы выпускали без радиатора на DDS. В даташите на AD9854 от производителя, информации о применении дополнительного теплоотвода для этой микросхемы не обнаружено.
- Инфо для самостоятельных «паяльщиков» - внимание! – в связи с тем, что платы разведены с «избытком» - прежде, чем включать спаянное устройство, следует досконально разобраться во всех соединениях межплатных. Т.к. если оставить все заложенные соединители и подать различное напряжение на платы – может напруга попасть «не та» и «не туда», куда это нужно бы было. Питание можно подавать как одно 13,8V на плату «Автоматики» - разъём J1, так и многополярное на плату «Автоматики» - разъём XS3. Так же возможна подача питающего напряжения на плату ДПФ – разъём XS2. При запитке СДРа от однополярного источника напряжением 14В оптимально подавать его на разъём J1, а не стабилизированное напряжение этого же источника (перед стабилизатором, с электролитов оно будет больше +14В) подавать на разъём XS2 платы ДПФ. В этом случае можно использовать на плате ДПФ наиболее распространённые реле РЭС-49 с сопротивлением обмотки 1,8кОм. Чтобы не получился «ба-бах» - вытягиваем два «зуба» №№ 7,8 из гребёнки разъёма XS7 платы «Автоматика» и не запаиваем R1 на плате ДПФ. Соответственно получаем дополнительную развязку по питанию плат - входного «аналога» от «цифры-преобразователя». Что положительным образом отразилось на положении нижней планки шума приёмника в окне спектроанализатора. Без проблем и такого разделения шумовая дорожка занимает уровень в -140дБм со звуковой картой Delta 66. Обкатывается СДР без корпуса при подаче одного напряжения в разъём J1. Обычно это нестабилизированное напряжение около 14,5В. Оно через межплатные соединители появляется на разъеме XS2 и пине №8 XS1 платы ДПФов.
- Для обеспечения максимально чистого сигнала гетеродина, в качестве которого применяется микросхема DDS AD9854ASTZ, используется опорный генератор на максимально возможно высокую частоту для этого типа DDS – 200МГц. Использовать программируемые генераторы для такой цели исключено – у них не нормируемые шумы, что резко отрицательным образом бы сказалось на качественных характеристиках приёмника. Посему было решено искать «правильные» генераторы. Крайне сложно было найти такие генераторы по более-менее приемлемым ценам. После полугодовых поисков удалось их приобрести по 67$ за штучку. Почему пошёл на такие затраты? Посмотрите ниже шумовые картинки из даташита на AD9854, думаю вопросов о «лишних затратах» на качественный опорный генератор после их просмотра не должно возникнуть. Меня особенно «впечатлили» картинки дорожек фазового шума.
Перед установкой софта для SDR-а желательно почитайтать информацию от Сергея RW3PS – он все начальные установки «разжевал». Сергей RW3PS постоянно следит за всеми обновками темы SDR – посему полезно заглядывать на его сайт http://rw3ps.qrz.ru/sdr.htm
Компьютерные «установки»
Первое, что нужно сделать – это установить все заплатки и обновления на систему виндовс. Надеюсь установлена система Windows ХР? Понятно, что система у вас "левая" - посему нам нужно её довести до уровня "правой"…
К SDR-у прикладывается DVD-диск со всем необходимым софтом и описаниями-схемами-информацией, посему в описании ссылаюсь на этот компакт.
Идём в папку NetFrameWork компакта и устанавливаем те заплатки. Или качаем их с сайта - раздел ФАЙЛы. И только после этого будем устанавливать саму программу управления SDRом. Пока вы не приведёте виндовс в компьютере в требуемый вид – программа не будет устанавливаться. Заплатки имеют объём по 22-24МГб – посему из интернета качать их напряжно, но для желающих и имеющих достаточно быстрый инет, можно качать с официального сайта Microsoft - http://www.microsoft.com/downloads/details.aspx?familyid=0856EACB-4362-4B0D-8EDD-AAB15C5E04F5&displaylang=ru
- здесь файл dotnetfx.exe Возможно, что только этого файла будет не достаточно, чтобы запустить установку самой программы PowerSDR – это говорит о том, что в компьютере установлена ну уж «совсем левая» версия виндовс, т.е. без всех так называемых «сервис паков». Смотрите на системных компакт-дисках обновления для виндовс – это «сервис паки» №1, №2 и устанавливайте их. Привели систему в компьютере в должный вид – теперь можно устанавливать и сам софт.
От админа (UR5TDQ): перед установкой второго NetFrameWork (он же dotnetfx_2.0.exe) необходимо установить SP2 - это так называемый "сервайс пак 2". Если у вас оного нет (а это легко проверить) НетФреймворк может попросту не установиться. Я неоднократно сталкивался с подобным явлением. Как проверить какой "сервайс пак" у вас установлен ? Просто - жмете правой кнопкой мыхи на "Мой компьютер" , выбираете в контекстном меню "Свойства" и жмете туда левой кнопкой мыхи. Смотрите описание компьютера. Если нашли в тексте символы SP1 - значит у вас стоит первый сервайс пак и вам нужно установить второй. А еще лучше установить систему в которой встроен SP2. Тогда ваш NetFrameWork встанет "на ура".
Далее: встречал еще один "глюк" (у меня дома). ПоверСДР не ставится на второй НетФреймворк - но успешно стал на первый (hi). Искать первый фреймворк в инете это весьма интересное занятие поэтому мы выкладываем его на нашем сайте. Впрочем как и второй фреймворк. Идите в раздел ФАЙЛы >>>.
Устанавливаем драйвера для звуковой платы – папка ASIO_DRV - их опять же можно взять в разделе
Т.к. версий программы управления СДРом выпущено великое множество – для начала можно установить ту, которая проверена и в которой практически не замечено глюков.
Берём её из раздела
PowerSDR_v1.8.0_Install - это версия 1.8.0 программы PowerSDR. В этой же папке лежит куча всяких «приблуд» и обновлений, которые можно устанавливать или не устанавливать – это уже ваше личное желание. Сама программа PowerSDR v1.8.0 будет работать и без них. Устанавливаем программу – она достаточно долго будет устанавливаться – когда на чёрном фоне начнут бегать цифирки – ждите окончания – они будут долго висеть на мониторе…
От админа (UR5TDQ): Естественно, самый новый ПоверСДР вы утянете с сайта ФЛЕКСов
Программу установили – всё, вперёд – можете включать СДР. Только не забудьте вначале включить СДР тот, который в «железе» и только потом жмёте «вкл» в софте PowerSDR – кнопка Standby в левом верхнем углу. Если всё правильно сделано – программа заработает – в окне спектроанализатора увидите шумовую дорожку. Последовательность включения связана с тем, что программа в момент включения выдаёт начальные управляющие установочные коды на синтезатор, а не наоборот.
Чтобы исключить себе лишние проблемы с пользованием СДРом – поступил таким образом. Установил в комп второй хард и на него весь софт, заточенный именно под работу СДРа. Т.к. очень много периферии навешано в моём компьютере (не считая «стандартных» - программаторы, сказёвый сканер, TV-FM тюнер, три звуковые платы, вебкамера, SIM причиндалы и т.д.) – ну никак не захотел софт PowerSDR, в той конфигурации компьютера, правильно управлять СДРом. Поэтому самым простым способом решения этой проблемы оказалось установка второго харда с отдельной системой и софтом на нём. При вкл. компьютера – захожу в БИОС, выбираю требуемый хард и получаю требуемую конфигурацию. Заметил, что на этом харде, «подточенном под СДР», уже практически все те же установки, что и на первом харде – но всё работает. Видимо, верность работы всех подключаемых к компьютеру устройств, зависит от последовательности их установки.
Для тех, кто считает, что для СДРа обязательно нужен «крутой комп» - проверил работу СДРа на машине Целерон 900МГц, 384Мгб памяти, Креатив Си-Би-лайв звуковая плата, система ХР – без проблем работает. Только пощёлкивает в момент перестройки частоты. У меня работает на Intel пне 4; 1,8ГГц; 1гб памяти – грузит машину не более чем на 16%.
Инфо по железу.
Если вы получили готовый СДР – ваша задача прикрутить к КРЕНкам теплоотвод. В случае – когда «горит покрутить» СДР, а корпус основательный делать харит – в этом случае берём пластину металла скажем 12х15см, толщиной 2-3-5мм, сверлим в ней 6 отверстий диаметром 3,1-3,3мм под 4-ре стойки и обе КРЕНки. Прикручиваем винтами М3 СДР к этой пластине, которая будет служить «дном» и теплоотводом. Не забудьте подмазать КРЕНки теплопроводной пастой для лучшего теплообмена. Для заказчиков СДРа без корпуса - пластина-теплоотвод размером 10х10см уже прикручена и её теплоотдачи будет достаточно, чтобы первое время "поиграться" с СДРом. Зубы №№7,8 из разъёма XS7 на плате «Автоматика» не вытянуты – питание по +14В не разделено. Посему подаём +13,8-14,5В на плату «Автоматика» через джек J1 - ответная часть для джека J1 к СДРу приложена. Все реле РЭС-49 проверены на срабатывание от 12В. Для того, чтобы видеть подано напряжение на СДР или нет и в каком режиме он находится (RX-TX) цепляем светодиоды на разъём XS12 платы «Автоматика». На резисторе R10-корпус будет светодиод инициализации подачи питающего напряжения. А на резисторе R9-транзистор VT1 – светодиод RX-TX.
Внимание! Чего не «любит» эта техника. Не забывайте, что все без исключения полупроводники не ТЕРПЯТ СТАТИКИ!!! Мне при испытаниях-отладке удалось спалить 4шт INA163, одну DDSку AD9854 и пару коммутирующих микрух. И всё из-за того, что забывал отключать антенну от СДРа и при подключенной антенне начинал втыкать-выдёргивать шнурки, соединяющие СДР с компьютером. Не забывайте, что компьютеры питаются от импульсных ИП, которые имеют ПРАКТИЧЕСКИ ГАЛЬВАНИЧЕСКУЮ СВЯЗЬ С СЕТЬЮ 220В! В итоге мы всегда имеем потенциал неизвестного напряжения между зажимами антенны и корпусом компьютера. Если не верите – попробуйте самым простым детским способом – НА ЯЗЫК – два проводка – один от корпуса компьютера, второй от антенны. Потом мне и другим радистам доложите насколько у вас в глаза потемнело…
Т.е. нужно очень аккуратно и внимательно относиться к последовательности подключения шнурков к СДРу. Вот при такой последовательности подключения шнурков, в СДРе больше ничего не «ломалось» - управляющий шнурок LPT (это тот, который принтерный); шнурок CW ключа, затем шнурки по звуку, предварительно коснувшись контактами их разъёмов корпуса (земли) СДРа; шнурки питания на СДР; и в последнюю очередь антенну. Отключение – в обратной последовательности.Распайка шнурка LPT простая – все одноимённые выводы разъёмов должны быть соединены на шнурке друг с дружкой. Т.е. вывод №1 на папе, с выводом №1 на маме, №2 с №2 и т.д. Когда будете выбирать провод для этого шнурка (для других тоже!) – обращайте внимание на оплётку-экран. Экранировка всех шнурков должна быть качественная. Ниже "распиновка" такого кабеля.
Начинаю тему "Дополнений в описание".
Хотя вся информация по подключению SDR-а есть на компакт-диске, вопросы у народа возникают… Т.к. кому-то просто лень рыться по папкам компакта, кто-то не бельмес в инглиш и т.д.
Ещё раз напоминаю - коммутация СДРом заложена вся, что есть в SDR-1000 и дополнительно ещё всё, что удалось найти в интернете по доработкам этого узла. Что ещё дополнительно введено – внимательно читаем выше.
Итак – первые вопросы по стыковке с внешним усилителем и коммутации RX-TX. Подробная распиновка разъёма Х2 (плата Автоматика) расписана как на схеме (см. папку «схемы» компакта) так и в файлах «SDR-1000 Operating_Manual_v1.6.2», «SDR-1000 Operating_Manual_v1.8.0». РТТ для всех видов модуляции – пин №11 (параллельно ему выход XS13). Для мод. кроме CW пин №10 (SSB/AM/FM только). Т.е. это «педаль» - соединяем с землёй. Так же пин №10 параллельно выведен на разъём XS4 пин №4 на плате TRX, для того, чтобы можно было его вывести на тангенту микрофона. Выход на коммутацию внешнего УМа – пин №7. Т.е. при переходе на ТХ этот выход «замыкается» на землю. В «мануале оператора» приведён параметр этого выхода – «макс.50в 500мА». Я бы не рискнул напрямую вешать на этот выход реле в УМе. Думаю допустимо будет «повесить» на этот выход или транзисторный ключ, или небольшую релюшку, с как минимум в два раза более слабыми параметрами. Не забывайте, что в случае пробоя этого выхода – придётся менять микруху DD12, она не дорогая – но кому нужны лишние проблемы с поиском и затем перепайкой SMD микросхемы? Пин №8 должен идти на вывод, соединенный с + питания этого внешнего реле. Т.е. это защитный диод внутри микросхемы DD12, который будет подключён параллельно обмотке реле. Можно не заморачиваться и не рисковать попаданием напряжения из УМа в эту цепь, а "повесить", как и положено "по классике" параллельно обмотке реле диод и Сбл.
Не забывайте, что в софте SDR-а сделан правильный алгоритм перехода RX-TX. Как это «правильно»? Почитайте мои выкладки по коммутации УМа на ГУ-74Б или на компакте, или на сайте => http://ut2fw.com/node/19
Вот ту задержку появления сигнала на выходе передатчика теперь можно выставлять программно в софте. В зависимости от целей и задач – следует выставить время появления ВЧ сигнала на выходе SDR-a. Для активации – заходим в меню – Setup-General-Options, ставим галку в окне Enable X2 TR и выбираем требуемое время задержки появления сигнала в окне X2 Delay. После выставления всех установок не забудьте их применить – нажать внизу справа на Apply и только потом ОК. Картинка РТТ в папке Manual.















